使い勝手の良いサイズで幅広いの基板間距離接続をサポートする、0.8mmピッチの基板対基板コネクタです。
このページでは、0.8mmピッチフローティングコネクタの特長や基本仕様等を紹介しています。また、各シリーズの製品を接続形態と仕様別に検索いただけます。技術的なご質問はお気軽にお問い合わせください。
・ 基板平面方向、X-Y軸にそれぞれ0.5mmの可動域(ソケット側可動)
・ 組付け時のズレを吸収し、実装部ストレスを軽減
・ 自動組み立てにも最適なロボット組立適合コネクタ
・ 30~100極接続まで10極毎に対応
・ 5.5~24.7mmまでの幅広い基板間距離をカバー(17段階)
・ 基板実装強化タイプあり(ソケット・プラグとも30極のみ/ディップフランジ)
・ 組合せにより900M~最大5.0Gbpsまでの高速伝送に対応(差動100Ω)。
※評価実績のあるものは「基板対基板コネクタの対応データレートの定義に関して」をご参照ください。
・ ライトアングルプラグ9828Bをご用意、ソケットコネクタ9828Sとの組み合わせで垂直接続にも対応
| 項目 | 単位 | 内容 |
|---|---|---|
| カテゴリ | – | フローティングコネクタ |
| 嵌合部ピッチ | mm | 0.8 |
| 基板実装部ピッチ | mm | 0.8 |
| 配列 | – | 2列 |
| 定格電圧 | V(AC/DC) | 50 |
| 定格電流 | A | 0.5 |
| 使用温度範囲 | ℃ | -40~105 |
| 可動量X | mm | 0.5 |
| 可動量Y | mm | 0.5 |

3シリーズの可動域を持ったソケットコネクタおよび4シリーズの固定プラグコネクタから構成されます。各シリーズ内では、製品高さやその他のオプションによって、さらにいくつかのタイプに部類されます。
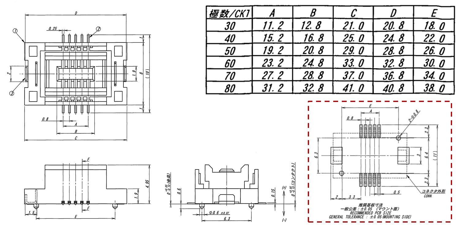
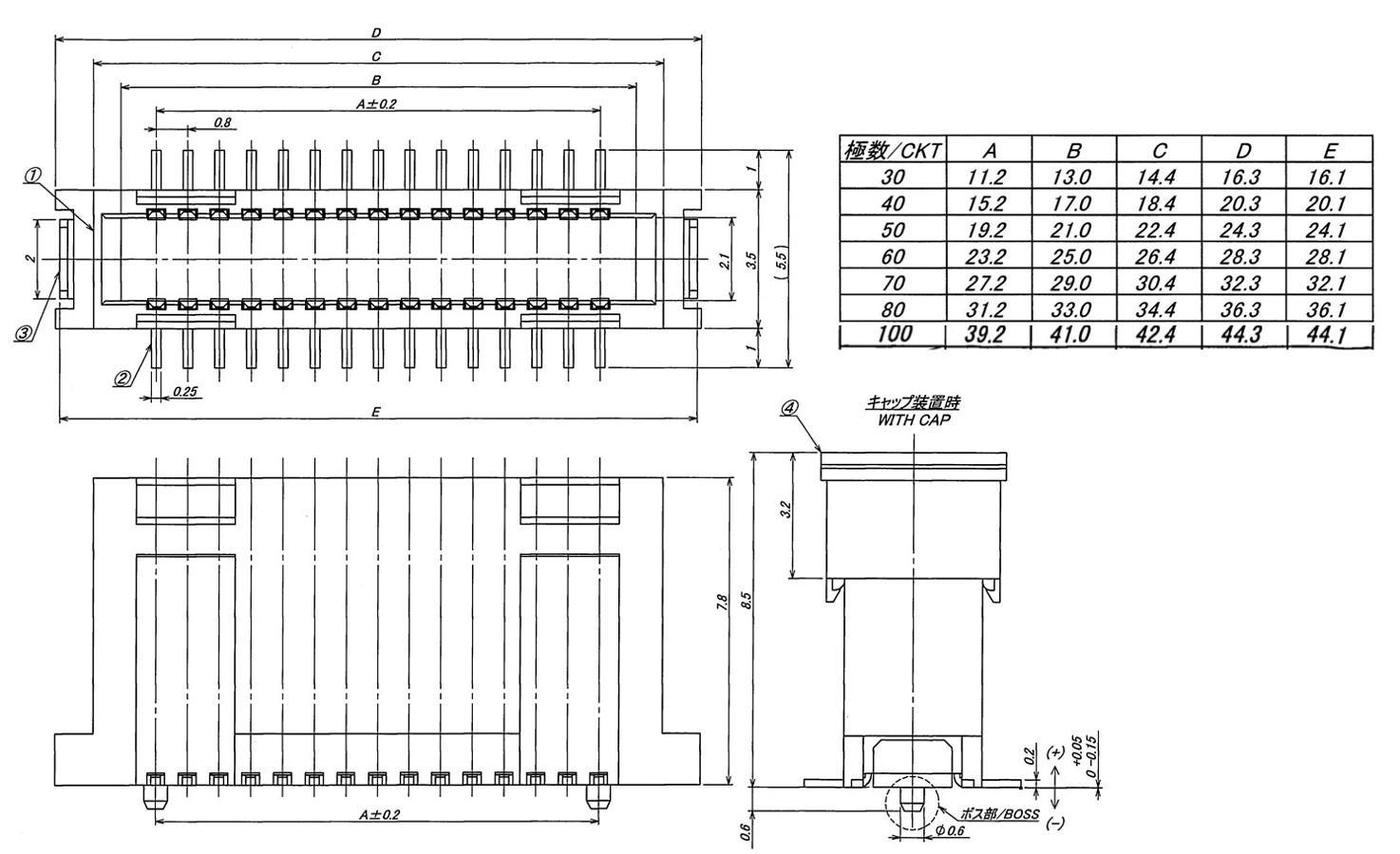
実装高さ4.95mmのソケットコネクタで、固定ボスの有無とめっき仕様の違いのオプションで3種のタイプがあります(各仕様のオプションは、「仕様から選ぶ」の9827Sシリーズをご参照ください)。
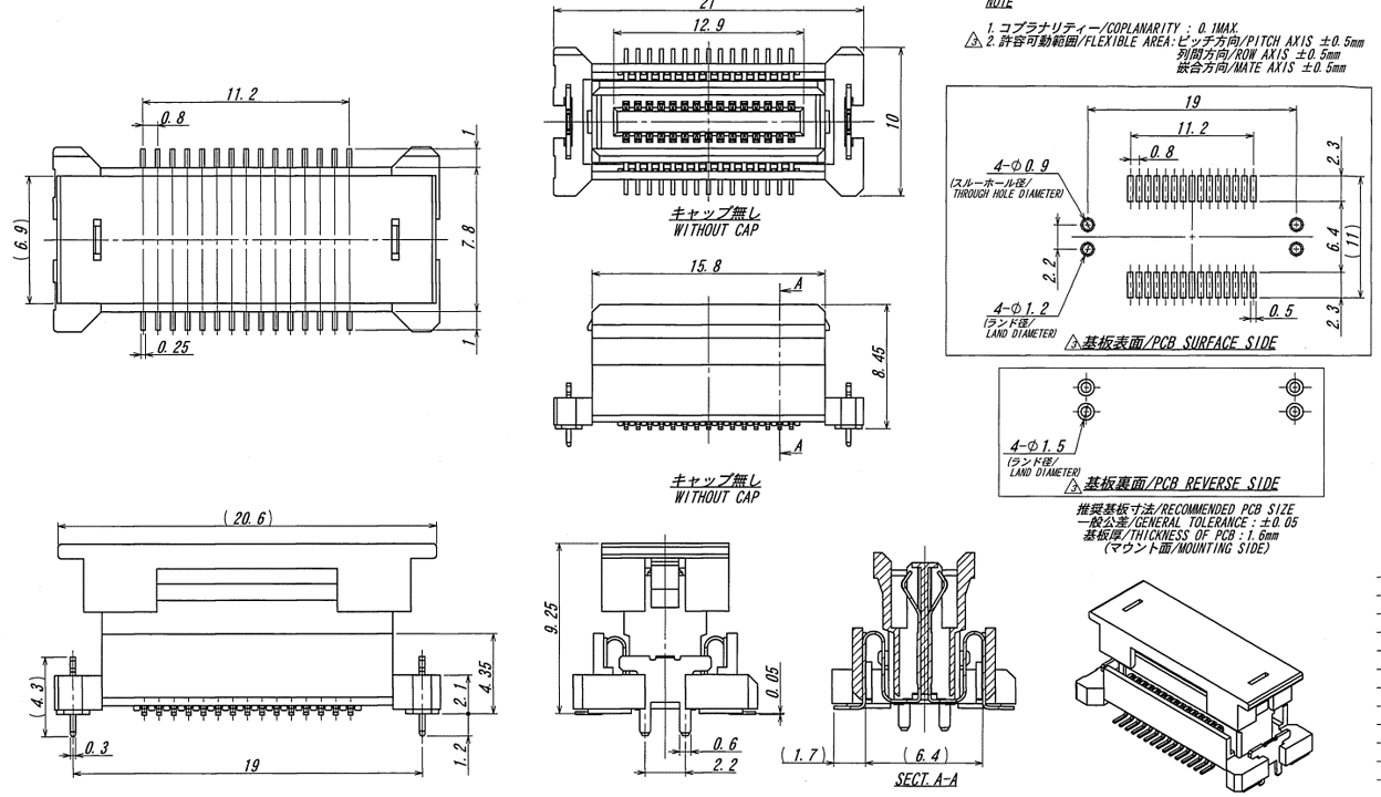
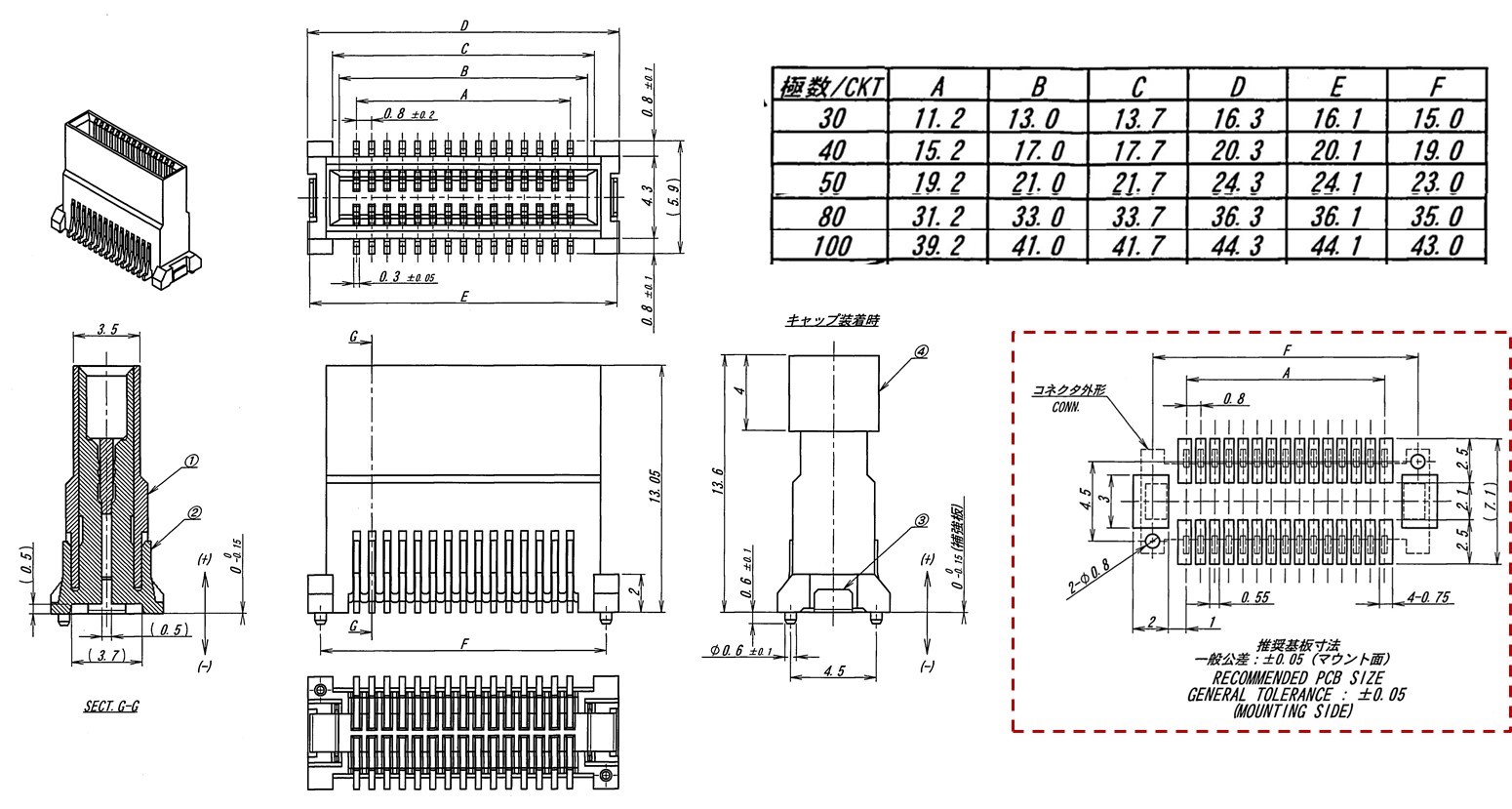
実装高さ8.45mmのソケットコネクタで、固定ボスの有無のオプションで2種のタイプがあります(各仕様のオプションは、「仕様から選ぶ」の9828Sシリーズをご参照ください)。
9828Sをベースにディップフランジにより基板への固定を強化したタイプです。30極品のみのご用意となります。
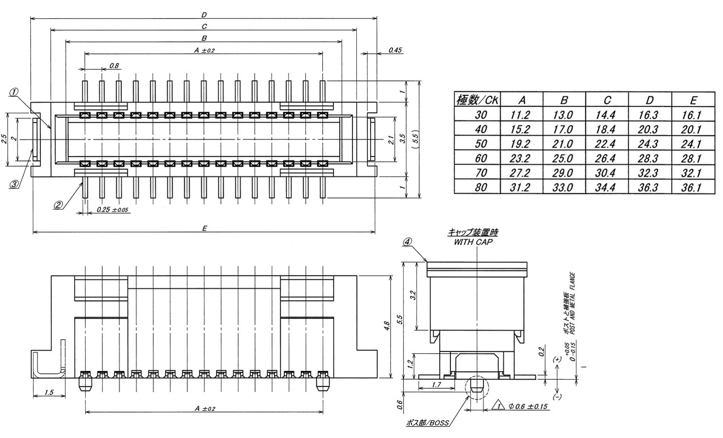
4.8/6.8/7.8mmの3種類の高さグループを持つプラグコネクタです。さらに、めっきやボスの仕様の違いのオプションにより11タイプに分かれます(各仕様のオプションは、「仕様から選ぶ」の9827Bシリーズをご参照ください)。

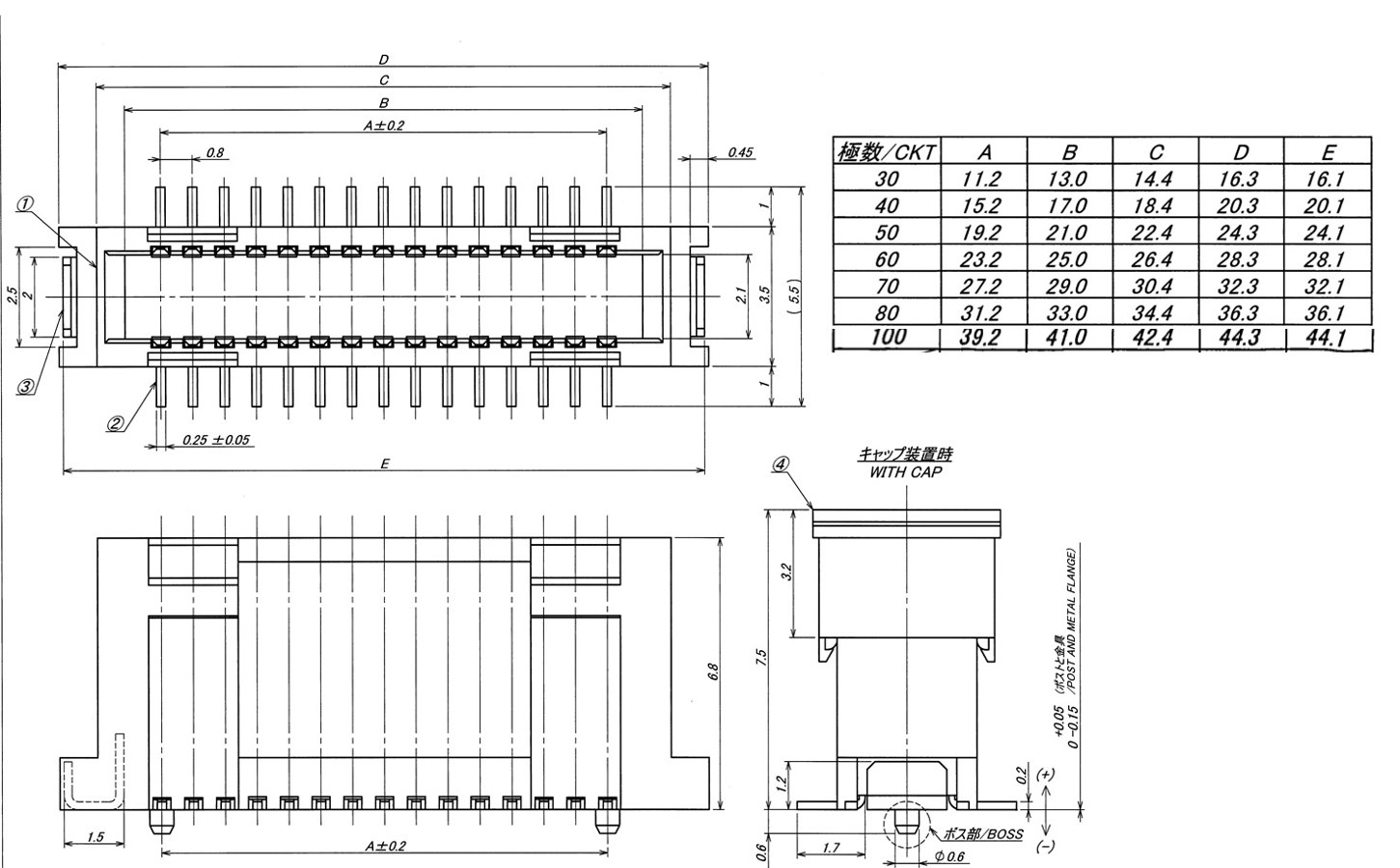
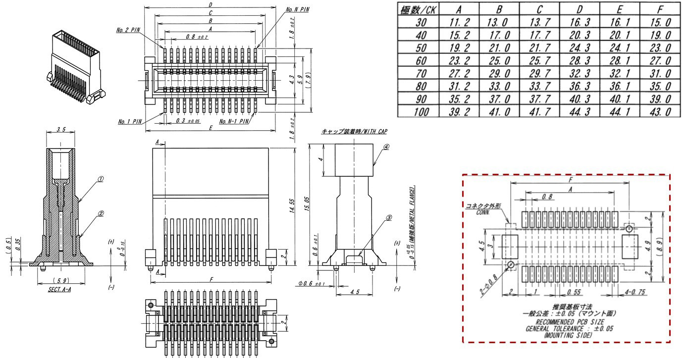
10.95/13.05/14.55/15.8/19.75mmの5種類の高さグループを持つプラグコネクタです。さらに、めっきやボスの仕様の違いのオプションにより12タイプに分かれます(各仕様のオプションは、「仕様から選ぶ」の9860Bシリーズをご参照ください)。

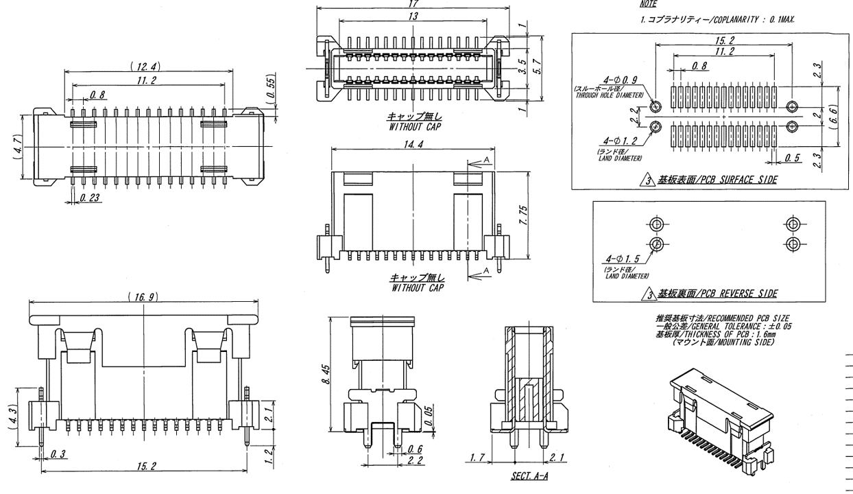
製品高さ7.75mm、ディップフランジにより基板への固定を強化したタイプのプラグコネクタです。30極品のみのご用意となります。
9828Sシリーズとの組み合わせで垂直接続を実現するライトアングルプラグです(9827S/10102Sとは干渉部位があり嵌合しません)。固定ボスの有無のオプションで2種のタイプがあります(各仕様のオプションは、「仕様から選ぶ」の9828Bシリーズをご参照ください)。



製品仕様やバリエーションで変更がある場合がございます。最新情報は製品図面をご参照ください。

基板間距離11.9mmで30/40/50/60/80/90極でご用意しています。
・各シリーズの仕様(本体高さ、めっき、基板実装方法、参考図面等)を掲載しています。
・掲載している図面は、参考図です。詳細の確認においては個別製品毎の製品図面をご参照ください。
| 仕様 | 本体高さ | 対象製品 |
|---|---|---|
| 低背仕様 | 4.95mm | |
| 高背仕様 | 8.45m | |
| 高背ディップフランジ仕様 | 8.45m |
実装高さ4.95mmのソケットコネクタです。固定ボスの有無の選択が可能、固定ボス有り使用では0.3μmの金めっきタイプもご用意しています。

製品仕様やバリエーションで変更がある場合がございます。最新情報は製品図面をご参照ください。

実装高さ8.45mmのソケットコネクタで、固定ボスの有無のオプションで2種のタイプがあります。

製品仕様やバリエーションで変更がある場合がございます。最新情報は製品図面をご参照ください。

9828Sをベースにディップフランジにより基板への固定を強化したタイプです。1タイプ、30極品のみのご用意となります。

製品仕様やバリエーションで変更がある場合がございます。最新情報は製品図面をご参照ください。

| 仕様 | 本体高さ | 対象製品(グループ) |
|---|---|---|
| 低背仕様 | 4.8mm | |
| 6.8mm | ||
| 7.8mm | ||
| 高背仕様 | 10.95mm | |
| 13.05mm | ||
| 14.55mm | ||
| 15.8mm | ||
| 19.75mm | ||
| ディップフランジ仕様 | 7.75mm |
| 仕様 | 本体高さ | 対象製品(グループ) |
|---|---|---|
| – | 6.7mm |
4.8/6.8/7.8mmの3種類の高さグループを持つプラグコネクタです。推奨基板レイアウトは高さグループをまたいで共通です。

製品仕様やバリエーションで変更がある場合がございます。最新情報は製品図面をご参照ください。
固定ボスの有無のオプションで2タイプがあります。

製品仕様やバリエーションで変更がある場合がございます。最新情報は製品図面をご参照ください。

めっき仕様違い、固定ボスの有無のオプションで5タイプがあります(100極品はベース樹脂が異なります)。

製品仕様やバリエーションで変更がある場合がございます。最新情報は製品図面をご参照ください。

めっき仕様違い、固定ボスの有無のオプションで4タイプがあります(100極品はベース樹脂が異なります)。

製品仕様やバリエーションで変更がある場合がございます。最新情報は製品図面をご参照ください。

10.95/13.05/14.55/15.8/19.75mmの5種類の高さグループを持つプラグコネクタです。基板レイアウトも高さに応じて変化します(一部共通)。
1タイプ、30極のみのご用意となります。

製品仕様やバリエーションで変更がある場合がございます。最新情報は製品図面をご参照ください。

メッキ違いのオプションで2タイプがあります。

製品仕様やバリエーションで変更がある場合がございます。最新情報は製品図面をご参照ください。

梱包資材の違いによって梱包番号は3種ありますが、製品仕様は共通です。
梱包については個別製品ページよりPackage Drawingをご参照ください。会員登録後にご覧いただけます。

製品仕様やバリエーションで変更がある場合がございます。最新情報は製品図面をご参照ください。

めっき仕様違いで2タイプがあります。梱包資材、仕様違いによって、梱包番号は4種類になります。
梱包については個別製品ページよりPackage Drawingをご参照ください。会員登録後にご覧いただけます。

製品仕様やバリエーションで変更がある場合がございます。最新情報は製品図面をご参照ください。

梱包資材の違いによって梱包番号は2種ありますが、製品仕様は共通です。
梱包については個別製品ページよりPackage Drawingをご参照ください。会員登録後にご覧いただけます。

製品仕様やバリエーションで変更がある場合がございます。最新情報は製品図面をご参照ください。

製品高さ7.75mm、ディップフランジにより基板への固定を強化したタイプのプラグコネクタです。1タイプ、30極品のみです。

製品仕様やバリエーションで変更がある場合がございます。最新情報は製品図面をご参照ください。

9828Sシリーズとの組み合わせで垂直接続を実現するライトアングルプラグです(9827S/10102Sとは干渉部位があり嵌合しません)。固定ボスの有無のオプションで2種のタイプがあります。端子には半田吸いあがりを防止形状を採用しています。

製品仕様やバリエーションで変更がある場合がございます。最新情報は製品図面をご参照ください。
