2点接点の垂直接続を基本とし、嵌合互換を持つオプションとして垂直接続や高速伝送対応(ベローズ一点接点)、低挿抜力一点接点(垂直接続用)等のオプションもそろえ、ベーシックな基板間接続を幅広くサポートします。
このページでは、0.5mmピッチフローティングコネクタ(スタンダード)の特長や基本仕様等を紹介しています。また、各シリーズの製品を接続形態と仕様別に検索いただけます。技術的なご質問はお気軽にお問い合わせください。
・ 基板平面方向、X-Y軸にそれぞれ0.5mmの可動域(プラグ側可動)
・ 組付け時のズレを吸収し実装部ストレスを軽減
・ 自動組み立てにも最適なロボット組立適合コネクタ
・ 1mm(±0.5)の有効嵌合長レンジで中間距離もサポート
・ 嵌合軸同一直線状に独立したバネの接点を配置
・ 前段コンタクトで確実に異物を除去
・ 冗長接続を確保
※一部オプションで、例外があります。
・ 40~140極まで20極毎にラインアップ
・ 上記に加えて、ご要望が多かった50極品もラインアップ
※接続形態により選択できる極数は異なります
・ 高速伝送に最適なベローズ一点接点オプションをご用意(多極限定)
・ 組合せにより、最大5.9Gbpsまでの高速伝送に対応(差動100Ω)
・ 信頼性の高い2点接点と、低挿抜力対応の1点接点タイプをご用意
| 項目 | 単位 | 内容 |
|---|---|---|
| カテゴリ | – | フローティングコネクタ |
| 嵌合部ピッチ | mm | 0.5 |
| 基板実装部ピッチ | mm | 0.5 |
| 配列 | – | 2列 |
| 定格電圧 | V(AC/DC) | 50 |
| 定格電流 | A | 0.4 |
| 使用温度範囲 | ℃ | -40~105 |
| 可動量X | mm | 0.5 |
| 可動量Y | mm | 0.5 |
「イリソコネクタ型番の見方」をご参照ください。
3シリーズのソケットコネクタおよび共通の可動域をもったプラグコネクタシリーズから構成されます。各シリーズ内では、製品高さやその他のオプションによって、さらにいくつかのタイプに部類されます。
4種の高さバリエーションをもち、それぞれにボスの有無のオプションがあります(Hタイプ以外)。

垂直接続用のライトアングルソケットです。低挿入力対応の一点接点タイプもご用意。2点接点仕様ではボスの有無が選択可能です。

ベローズ構造の一点接点で高速伝送対応を実現したタイプです。2種の高さでボスの有無が選択可。テールはニッケルバリア仕様。

各シリーズソケットと嵌合する可動垂直プラグコネクタです。2種の高さをご用意、それぞれボスの有無が選択可能です。タイプA/Bを除いてテール部はニッケルバリア仕様になっています。


40~140極までの範囲のバリエーションを有します。公称基板間距離に対して、有効嵌合長によって±0.5mmのレンジで距離公差を吸収します。実態として7.5~15.5mmの範囲でのシームレスな選択が可能です。
Combination-BtoB-distance-matrix.png)
0.5std_List-of-poles.png)
製品仕様やバリエーションで変更がある場合がございます。最新情報は製品図面をご参照ください。
ベローズ一点接点の採用で、高速伝送対応を実現した組み合わせで、100,120および160極でご用意しています。基板間距離は、10.0,11.0,15.0,16.0の4種が選択可能で、それぞれ±0.5mmのレンジで距離公差を吸収します。
Combination-BtoB-distance-matrix.png)
0.5std_List-of-poles.png)
製品仕様やバリエーションで変更がある場合がございます。最新情報は製品図面をご参照ください。

アングルコネクタ9985Sシリーズによって垂直接続を実現する組み合わせです。40~140極まで20極毎に揃えています。100極を超える組み合わせについては、低挿抜力仕様の一点接点タイプの選択も可能です。40、120極では基板間距離が1.0mm長い組み合わせの選択も可能です。
“+SC”は一点接点タイプオプション選択可
0.5std_List-of-poles.png)
製品仕様やバリエーションで変更がある場合がございます。最新情報は製品図面をご参照ください。
・各シリーズの仕様(本体高さ、めっき、基板実装方法、参考図面等)を掲載しています。
・掲載している図面は、参考図です。詳細の確認においては個別製品毎の製品図面をご参照ください。
| 仕様 | 対象製品 | |
|---|---|---|
| 垂直ソケット | スタンダード | |
| ライトアングルソケット | 垂直接続 | |
| 垂直ソケット | 高速伝送 | |
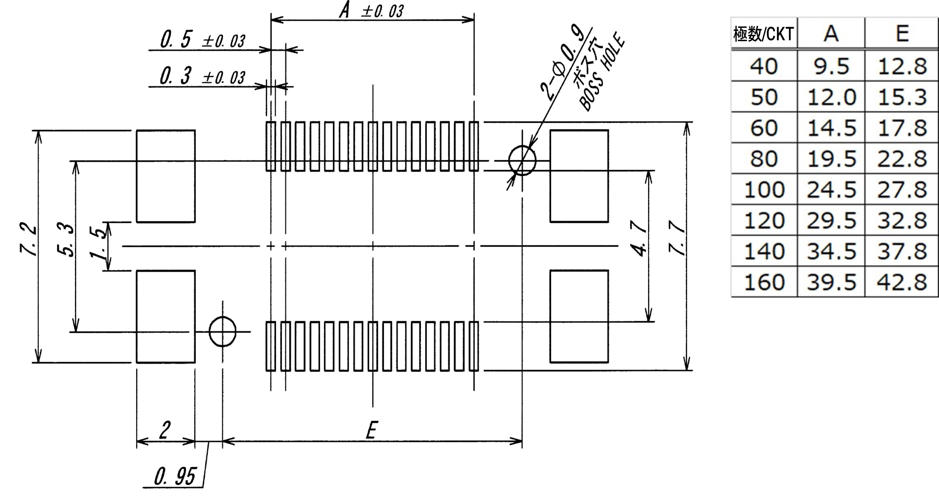
垂直ソケットの9984Sと10121Sの標準基板レイアウトは、高さ違いのものも含めて共通です。

製品仕様やバリエーションで変更がある場合がございます。最新情報は製品図面をご参照ください。
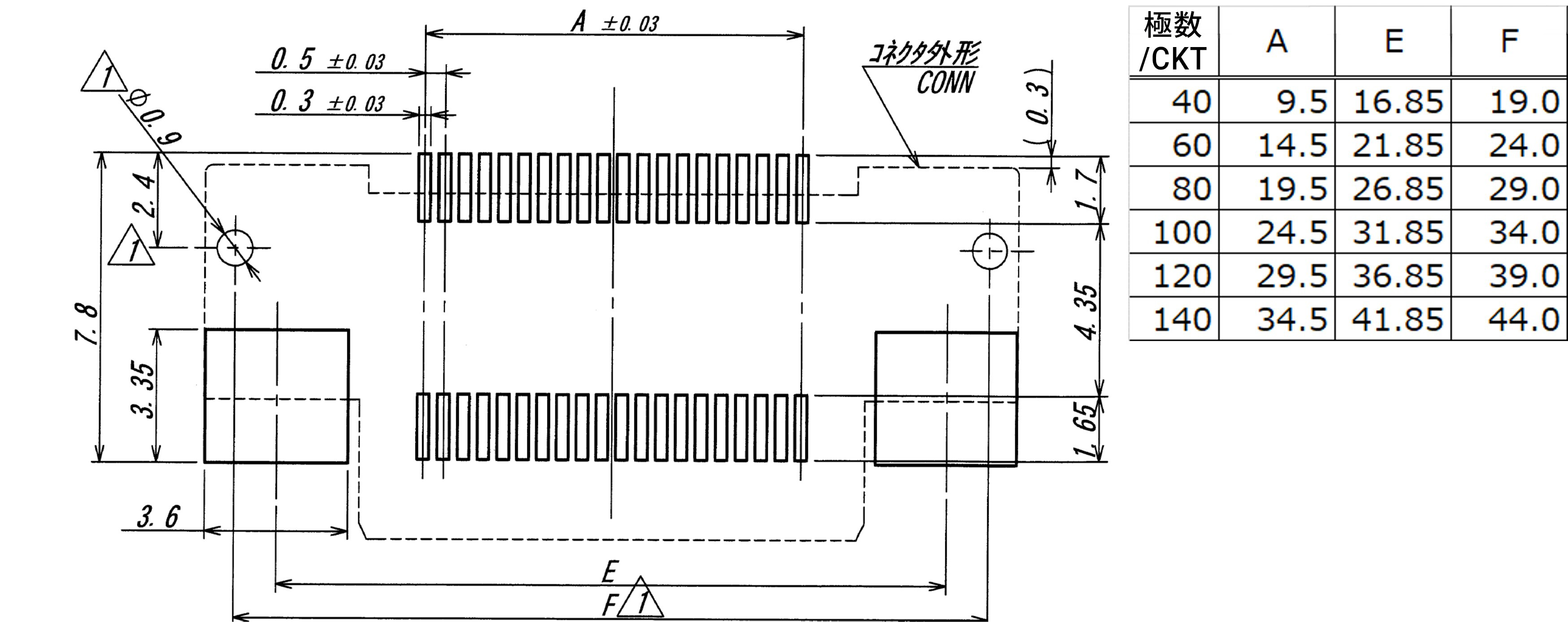
ライトアングルタイプの9985Sの標準基板レイアウトは下記の通りです。ボスの有無以外は各タイプ共通です。

製品仕様やバリエーションで変更がある場合がございます。最新情報は製品図面をご参照ください。
4種の高さバリエーションをもち、それぞれにボスの有無のオプションがあります(Hタイプ以外)。

製品仕様やバリエーションで変更がある場合がございます。最新情報は製品図面をご参照ください。

垂直接続用のライトアングルソケットです。ボスの有無に加えて、多極用に低挿抜力の一点接点Cタイプ(ボス無し)の3種のタイプから構成されます。

製品仕様やバリエーションで変更がある場合がございます。最新情報は製品図面をご参照ください。

2種の高さバリエーションを持ち、それぞれボスの有無の選択が可能です。

製品仕様やバリエーションで変更がある場合がございます。最新情報は製品図面をご参照ください。

本グループ各種ソケットコネクタと嵌合します。。2種の高さのバリエーションを持ち、ボスの有無の選択が可能です。タイプ間で基板レイアウトは互換性をも

製品仕様やバリエーションで変更がある場合がございます。最新情報は製品図面をご参照ください。
