垂直の可動ソケットコネクタと、ライトアングルプラグコネクタで構成される垂直接続に特化した基板対基板コネクタです。0.5mmの狭ピッチで高い実装密度を実現し、高速伝送にも対応します。
このページでは、0.5mmピッチフローティングコネクタ(高速伝送・垂直接続)の特長や基本仕様等を紹介しています。技術的なご質問はお気軽にお問い合わせください。
・ 垂直接続専用設計により最適化した形状
・ 0.5mmピッチを採用した小型コネクタ
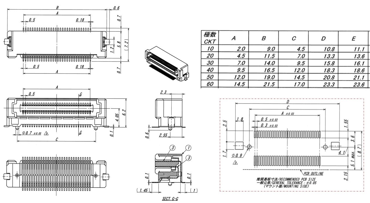
・ 10/30/40/50/60極品を準備
・ ソケット側基板平面方向、X(ピン配列方向)-Y(奥行方向)軸にそれぞれ0.6×0.5mmの可動域(ソケット側可動)
・ 組付け時のズレを吸収し実装部ストレスを軽減
・ 自動組み立てにも最適なロボット組立適合コネクタ
・ 100Ω差動伝送に対応(その他の条件はご相談ください)
・ 上側端子使用で7.8Gbpsまで対応
・ 下側端子使用で6.8Gbpsまで対応
※自社定義によります。「基板対基板コネクタの対応データレートの定義に関して」をご参照ください。
| 項目 | 単位 | 内容 |
|---|---|---|
| カテゴリ | – | フローティングコネクタ(垂直接続) |
| 嵌合部ピッチ | mm | 0.5 |
| 基板実装部ピッチ | mm | 0.5 |
| 配列 | – | 2列 |
| 定格電圧 | V(AC/DC) | 50 |
| 定格電流 | A | 0.5 |
| 使用温度範囲 | ℃ | -40~105 |
| 可動量X | mm | 0.6 |
| 可動量Y | mm | 0.5 |

ライトアングルプラグ10112Bシリーズとの組み合わせで垂直接続をなす、垂直タイプの可動ソケットコネクタです。固定用ボスの有り無しの選択が可能です。

製品仕様やバリエーションで変更がある場合がございます。最新情報は製品図面をご参照ください。

可動ソケット10112Sシリーズとの組み合わせで垂直接続をなす、ライトアングルプラグコネクタです。固定用ボスの有り無しの選択が可能です。一部の極数ではニッケルバリア仕様オプションも準備しています。

製品仕様やバリエーションで変更がある場合がございます。最新情報は製品図面をご参照ください。
